Главная > Подшипники> Роликовые > Радиально-упорные>3576R/3525

3576R/3525 — Подшипник роликовый радиально-упорный, импортное производство по ISO стандарту, размер 41x87x30 номер основного исполнения .
Производитель: KOYO.
R = Наружное кольцо с фланцем .
Цена по запросу
Цена на подшипник зависит от:
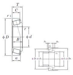
Габаритные размеры
Размеры и геометрические характеристики
Нагрузка и ресурс
Защита
Коэффициенты для расчета
Присоединительные размеры
Конструкция и исполнение
Однорядный конический роликовый подшипник 3577/3525 (CX, FBJ, Fersa, ISO, TIMKEN)
Однорядный конический роликовый подшипник 3576/3525 (CX, FBJ, ISO, NIS, NSK)
Конический роликоподшипник 3576/3525-B (TIMKEN)
Конический роликоподшипник 3577/3525-B (TIMKEN)
Однорядный конический роликовый подшипник 3585/3525 (CX, FBJ, Fersa, ISB, ISO)
Однорядный конический роликовый подшипник 3585R/3525 (NACHI)