Главная > Подшипники> Роликовые > Радиально-упорные>K25877-25821

K25877-25821 — Подшипник роликовый конический, импортное производство по ISO стандарту, размер 34x73x23 номер основного исполнения .
Производитель: FAG.
Игольчатый роликоподшипник без колец.
Цена по запросу
Цена на подшипник зависит от:
Габаритные размеры
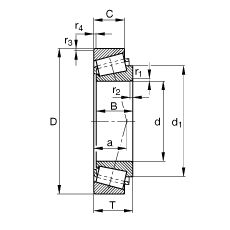
Размеры и геометрические характеристики
Нагрузка и ресурс
Коэффициенты для расчета
Присоединительные размеры
Однорядный конический роликовый подшипник 25877/25820 (AST, CX, FBJ, Fersa, ISO)
Конический роликоподшипник 25877/20 (PFI)
Конический роликоподшипник 25877/21 (PFI)
Однорядный конический роликовый подшипник 25878/25821 (AST, CX, FBJ, ISO, TIMKEN)
Однорядный конический роликовый подшипник 25877/25821 (CX, FBJ, Fersa, ISO, KBC)
Подшипник роликовый радиально-упорный 25877R/25821 (KOYO)