Главная > Подшипники> Роликовые > Радиально-упорные>25877R/25821

25877R/25821 — Подшипник роликовый радиально-упорный, импортное производство по ISO стандарту, размер 34x73x23 номер основного исполнения .
Производитель: KOYO.
R = Наружное кольцо с фланцем .
Цена от:654 р.
Цена на подшипник зависит от:
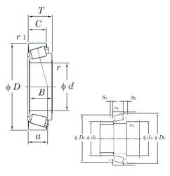
Габаритные размеры
Размеры и геометрические характеристики
Нагрузка и ресурс
Защита
Коэффициенты для расчета
Присоединительные размеры
Конструкция и исполнение
Однорядный конический роликовый подшипник 25877/25820 (AST, CX, FBJ, Fersa, ISO)
Конический роликоподшипник 25877/20 (PFI)
Конический роликоподшипник 25877/21 (PFI)
Однорядный конический роликовый подшипник 25878/25821 (AST, CX, FBJ, ISO, TIMKEN)
Однорядный конический роликовый подшипник 25877/25821 (CX, FBJ, Fersa, ISO, KBC)
Однорядный конический роликовый подшипник 25878/25820 (Fersa, NIS, NSK, TIMKEN)