Главная > Подшипники> Роликовые > Радиально-упорные>K25590-25522

K25590-25522 — Подшипник роликовый конический, импортное производство по ISO стандарту, размер 45x83x23 номер основного исполнения .
Производитель: FAG.
Игольчатый роликоподшипник без колец.
Цена по запросу
Цена на подшипник зависит от:
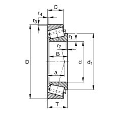
Габаритные размеры
Размеры и геометрические характеристики
Нагрузка и ресурс
Коэффициенты для расчета
Присоединительные размеры
Конический роликоподшипник 25590/22 (PFI)
Однорядный конический роликовый подшипник 25590/25521 (CX, FBJ, Fersa, ISO, TIMKEN)
Однорядный конический роликовый подшипник 25590/25522 (CX, FBJ, Fersa, ISB, ISO)
Конический роликоподшипник 4T-25590/25522 (NTN)