Главная > Подшипники> Роликовые > Радиально-упорные>25590/25522

25590/25522 — Однорядный конический роликовый подшипник, импортное производство по ISO стандарту, размер 45x83x23 номер основного исполнения .
Производится брендами: CX, FBJ, Fersa, ISB, ISO, TIMKEN.
Цена от:843 р.
Цена на подшипник зависит от:
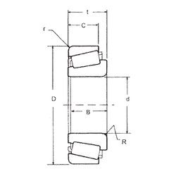
Габаритные размеры
Размеры и геометрические характеристики
Нагрузка и ресурс
Защита
Коэффициенты для расчета
Присоединительные размеры
Конструкция и исполнение
Конический роликоподшипник 25590/22 (PFI)
Однорядный конический роликовый подшипник 25590/25521 (CX, FBJ, Fersa, ISO, TIMKEN)
Конический роликоподшипник 4T-25590/25522 (NTN)
Подшипник роликовый конический K25590-25522 (FAG)