Главная > Подшипники> Роликовые > Радиально-упорные>JLM104949/JLM704910

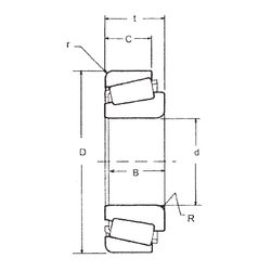
JLM104949/JLM704910 — Подшипник роликовый радиально-упорный, импортное производство по ISO стандарту, размер 50x84x22 номер основного исполнения .
Производитель: FBJ.
J = Сепаратор стальной штампованный незакалённый.
Цена по запросу
Цена на подшипник зависит от:
Габаритные размеры
Размеры и геометрические характеристики
Нагрузка и ресурс
Защита
Конструкция и исполнение
Подшипник шариковый упорный однонаправленный B25 (INA)
Конический роликоподшипник 4T-JLM704649/JLM704610 (NTN)
Однорядный конический роликовый подшипник JLM704649/JLM704610 (Fersa, TIMKEN)
Подшипник роликовый радиально-упорный JLM704649/10 (CX, ISO)