Главная > Подшипники> Роликовые > Радиально-упорные>IKOS050

IKOS050 — Однорядный конический роликовый подшипник, импортное производство по ISO стандарту, размер 50x80x22 основное исполнение.
Производитель: NKE.
S = смазочный паз и три отверстия в наружном кольце подшипника.
Цена по запросу
Цена на подшипник зависит от:
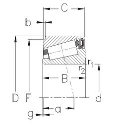
Габаритные размеры
Размеры и геометрические характеристики
Нагрузка и ресурс
Защита
Коэффициенты для расчета
Присоединительные размеры
Конструкция и исполнение
Другие размеры
Подшипник шариковый упорный 108710 (ГПЗ-20)
Подшипник шариковый упорный однонаправленный 4425 (INA)
Конический роликоподшипник 50KB831 (NACHI)
Подшипник роликовый радиально-упорный HC STB5080LFT (KOYO)
Однорядный конический роликовый подшипник JK0S050 (FAG)