Главная > Подшипники> Роликовые > Радиально-упорные>HC STB5080LFT

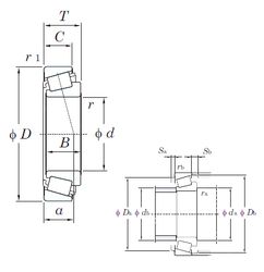
HC STB5080LFT — Подшипник роликовый радиально-упорный, импортное производство по ISO стандарту, размер 50x80x22 номер основного исполнения .
Производитель: KOYO.
ТВ = текстолитовый сепаратор, центрируемый по внутреннему кольцу.
Цена по запросу
Цена на подшипник зависит от:
Габаритные размеры
Размеры и геометрические характеристики
Защита
Конструкция и исполнение
Подшипник шариковый упорный 108710 (ГПЗ-20)
Подшипник шариковый упорный однонаправленный 4425 (INA)
Конический роликоподшипник 50KB831 (NACHI)
Однорядный конический роликовый подшипник IKOS050 (NKE)
Однорядный конический роликовый подшипник JK0S050 (FAG)