Главная > Подшипники> Шариковые> Радиально-упорные>HTA020DB

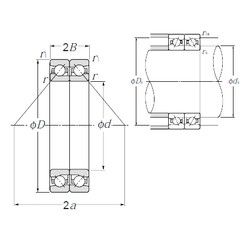
HTA020DB — Радиально-упорный шарикоподшипник, импортное производство по ISO стандарту, размер 100x150x22 номер основного исполнения .
Производитель: NTN.
D = профиль наружного кольца, усовершенствованный, с увеличенной зоной несущей нагрузки и оптимизированными краевыми переходами.
Цена по запросу
Цена на подшипник зависит от:
Габаритные размеры
Размеры и геометрические характеристики
Нагрузка и ресурс
Защита
Присоединительные размеры
Конструкция и исполнение
Осевой радиально-упорный шарикоподшипник BSB100150-T (FAG)
Сверхточный двухнаправленный радиально-упорный шарикоподшипник BTM 100 ATN9/HCP4CDB (SKF)
Сверхточный двухнаправленный радиально-упорный шарикоподшипник BTM 100 BTN9/P4CDB (SKF)
Сверхточный двухнаправленный радиально-упорный шарикоподшипник BTM 100 BTN9/HCP4CDB (SKF)