Главная > Подшипники>BSB100150-T

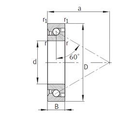
BSB100150-T — Осевой радиально-упорный шарикоподшипник, импортное производство по ISO стандарту, размер 100x150x22 номер основного исполнения .
Производитель: FAG.
T = Механически обработанный сепаратор из текстолита, центрируемый по телам качения.
Цена по запросу
Цена на подшипник зависит от:
Габаритные размеры
Размеры и геометрические характеристики
Нагрузка и ресурс
Защита
Присоединительные размеры
Конструкция и исполнение
Сверхточный двухнаправленный радиально-упорный шарикоподшипник BTM 100 ATN9/HCP4CDB (SKF)
Сверхточный двухнаправленный радиально-упорный шарикоподшипник BTM 100 BTN9/P4CDB (SKF)
Сверхточный двухнаправленный радиально-упорный шарикоподшипник BTM 100 BTN9/HCP4CDB (SKF)
Радиально-упорный шарикоподшипник HTA020DB (NTN)