Главная > Подшипники> Шариковые> Радиально-упорные>HSB932C

HSB932C — Радиально-упорный шарикоподшипник, импортное производство по ISO стандарту, размер 160x220x28 номер основного исполнения 932.
Производитель: NTN.
С = Необслуживаемые концы стержней, внутренняя резьба.
Цена по запросу
Цена на подшипник зависит от:
| Обозначение | Модификация |
|---|---|
| 932 | Основное конструктивное исполнение. |
| HAR932 | |
| HAR932C | С = Необслуживаемые концы стержней, внутренняя резьба. |
| SL12 932 | |
| SL11 932 | |
| SL15 932 | |
| SL14 932 | |
| HAR932CA | CA = Цельный обработанный латунный сепаратор, двойной зуб, удерживающие фланцы на внутреннем кольце и направляющем кольце, центрированные на внутреннем кольце. |
| HTA932DB | D = профиль наружного кольца, усовершенствованный, с увеличенной зоной несущей нагрузки и оптимизированными краевыми переходами. |
| 3NCHAR932 | A = Модифицированная внутренняя конструкция. R = Наружное кольцо с фланцем. |
| 3NCHAC932C | AC = Угол контакта 25 градусов. |
| 3NCHAR932C | A = Модифицированная внутренняя конструкция. R = Наружное кольцо с фланцем. |
| 3NCHAC932CA | CA = Цельный обработанный латунный сепаратор, двойной зуб, удерживающие фланцы на внутреннем кольце и направляющем кольце, центрированные на внутреннем кольце. |
| 3NCHAR932CA | CA = Цельный обработанный латунный сепаратор, двойной зуб, удерживающие фланцы на внутреннем кольце и направляющем кольце, центрированные на внутреннем кольце. |
| HTA932DB/GNP4L | GN = нормальная предварительная нагрузка. P = Литой сепаратор из стеклонаполненного полиамида 6,6, центрируемый по телам качения. |
| HTA932ADB/GNP4L | A = Модифицированная внутренняя конструкция. DB = два однорядных радиальных шарикоподшипника, однорядные радиально-упорные шарикоподшипники или однорядные конические роликовые подшипники, подходящие для монтажа в расположении друг к другу. |
| HTA932DB/G20P4L | G2 = установка с нормальным преднатягом. |
| 5S-2LA-HSE932G/GNP42 | GN = нормальная предварительная нагрузка. P = Литой сепаратор из стеклонаполненного полиамида 6,6, центрируемый по телам качения. |
| 5S-2LA-HSE932CG/GNP42 | GN = нормальная предварительная нагрузка. P = Литой сепаратор из стеклонаполненного полиамида 6,6, центрируемый по телам качения. |
| 5S-2LA-HSE932ADG/GNP42 | GN = нормальная предварительная нагрузка. P = Литой сепаратор из стеклонаполненного полиамида 6,6, центрируемый по телам качения. |
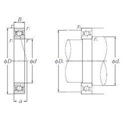
Габаритные размеры
Размеры и геометрические характеристики
Нагрузка и ресурс
Защита
Коэффициенты для расчета
Присоединительные размеры
Конструкция и исполнение
Подшипник шариковый радиальный однорядный 1000932
Подшипник шариковый однорядный радиально-упорный B71932 C.T.P4S.UL (FAG)
Подшипник шариковый радиальный однорядный 1000932 Л
Подшипник шариковый радиальный однорядный 26-1000932 Л (ГПЗ-1)