Главная > Подшипники> Роликовые > Радиально-упорные>HR33028J

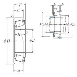
HR33028J — Однорядный конический роликовый подшипник, импортное производство по ISO стандарту, размер 140x210x56 номер основного исполнения 33028.
Производитель: NSK.
J = Сепаратор стальной штампованный незакалённый.
Цена по запросу
Цена на подшипник зависит от:
Габаритные размеры
Размеры и геометрические характеристики
Нагрузка и ресурс
Защита
Коэффициенты для расчета
Присоединительные размеры
Конструкция и исполнение