Главная > Подшипники> Роликовые > Радиально-упорные>E33028J

E33028J — Конический роликоподшипник, импортное производство по ISO стандарту, размер 140x210x56 номер основного исполнения 33028.
Производитель: NACHI.
J = Сепаратор стальной штампованный незакалённый.
Цена по запросу
Цена на подшипник зависит от:
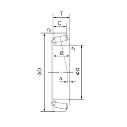
Габаритные размеры
Размеры и геометрические характеристики
Нагрузка и ресурс
Защита
Коэффициенты для расчета
Присоединительные размеры
Конструкция и исполнение