Главная > Подшипники> Роликовые > Радиально-упорные>HR322/28CJ

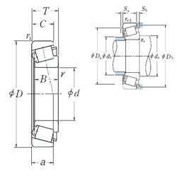
HR322/28CJ — Конический роликоподшипник, импортное производство по ISO стандарту, размер 28x58x20 номер основного исполнения .
Производитель: NSK.
С = Необслуживаемые концы стержней, внутренняя резьба.
Цена по запросу
Цена на подшипник зависит от:
Габаритные размеры
Размеры и геометрические характеристики
Нагрузка и ресурс
Защита
Коэффициенты для расчета
Присоединительные размеры
Конструкция и исполнение
Подшипник роликовый радиально-упорный 322/28R (KOYO, NTN)
Подшипник роликовый радиально-упорный 322/28CR (KOYO)
Конический роликоподшипник 4T-CR-0620 (NTN)
Конический роликоподшипник 4T-CR-0620STPX1 (NTN)
Конический роликоподшипник EC44184S01 (SNR)
Однорядный конический роликовый подшипник HR322/28 (NSK)