Главная > Подшипники> Роликовые > Радиально-упорные>322/28R

322/28R — Подшипник роликовый радиально-упорный, импортное производство по ISO стандарту, размер 28x58x20 номер основного исполнения .
Производится брендами: KOYO, NTN.
R = Наружное кольцо с фланцем .
Цена от:878 р.
Цена на подшипник зависит от:
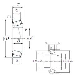
Габаритные размеры
Размеры и геометрические характеристики
Нагрузка и ресурс
Защита
Коэффициенты для расчета
Присоединительные размеры
Конструкция и исполнение
Подшипник роликовый радиально-упорный 322/28CR (KOYO)
Конический роликоподшипник 4T-CR-0620 (NTN)
Конический роликоподшипник 4T-CR-0620STPX1 (NTN)
Конический роликоподшипник EC44184S01 (SNR)
Конический роликоподшипник HR322/28CJ (NSK)
Однорядный конический роликовый подшипник HR322/28 (NSK)