Главная > Подшипники> Роликовые > Радиально-упорные>HR322/22C

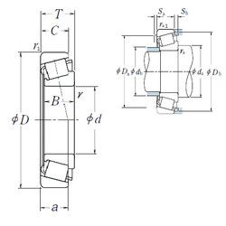
HR322/22C — Конический роликоподшипник, импортное производство по ISO стандарту, размер 22x50x19 номер основного исполнения .
Производитель: NSK.
С = Необслуживаемые концы стержней, внутренняя резьба.
Цена по запросу
Цена на подшипник зависит от:
Габаритные размеры
Размеры и геометрические характеристики
Нагрузка и ресурс
Защита
Коэффициенты для расчета
Присоединительные размеры
Конструкция и исполнение
Радиально-упорный шарикоподшипник DF0476 (NTN)
Подшипник роликовый радиально-упорный 322/22CR (KOYO)
Подшипник роликовый радиально-упорный 322/22R (KOYO)
Конический роликоподшипник HR322/22 (NSK)