Главная > Подшипники> Роликовые > Радиально-упорные>322/22R

322/22R — Подшипник роликовый радиально-упорный, импортное производство по ISO стандарту, размер 22x50x19 номер основного исполнения .
Производитель: KOYO.
R = Наружное кольцо с фланцем .
Цена от:878 р.
Цена на подшипник зависит от:
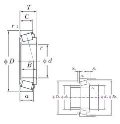
Габаритные размеры
Размеры и геометрические характеристики
Нагрузка и ресурс
Защита
Коэффициенты для расчета
Присоединительные размеры
Конструкция и исполнение
Радиально-упорный шарикоподшипник DF0476 (NTN)
Подшипник роликовый радиально-упорный 322/22CR (KOYO)
Конический роликоподшипник HR322/22 (NSK)
Конический роликоподшипник HR322/22C (NSK)