Главная > Подшипники> Роликовые > Радиально-упорные>HR31321J

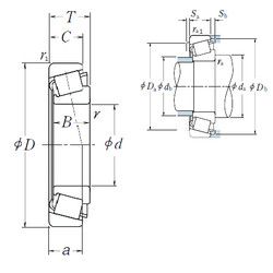
HR31321J — Конический роликоподшипник, импортное производство по ISO стандарту, размер 105x225x58 номер основного исполнения 31321.
Производитель: NSK.
J = Сепаратор стальной штампованный незакалённый.
Цена по запросу
Цена на подшипник зависит от:
| Обозначение | Модификация |
|---|---|
| 31321 | Основное конструктивное исполнение. |
| 31321X | X = Внешние размеры, соответствующие международным стандартам. |
| 31321XU | X = Внешние размеры, соответствующие международным стандартам. |
| 31321 A | A = внутренняя модификация конструкции. |
| 31321JR | R = Наружное кольцо с фланцем . |
| 31321-X-XL | X = Внешние размеры, соответствующие международным стандартам. L = массивный сепаратор из лёгкого сплава. |
Габаритные размеры
Размеры и геометрические характеристики
Нагрузка и ресурс
Защита
Коэффициенты для расчета
Присоединительные размеры
Конструкция и исполнение