Главная > Подшипники> Роликовые > Радиально-упорные>31321-X-XL

31321-X-XL — Подшипник роликовый конический, импортное производство по ISO стандарту, размер 105x225x58 номер основного исполнения 31321.
Производитель: FAG.
X = Внешние размеры, соответствующие международным стандартам. L = массивный сепаратор из лёгкого сплава.
Цена по запросу
Цена на подшипник зависит от:
| Обозначение | Модификация |
|---|---|
| 31321 | Основное конструктивное исполнение. |
| 31321X | X = Внешние размеры, соответствующие международным стандартам. |
| 31321XU | X = Внешние размеры, соответствующие международным стандартам. |
| 31321 A | A = внутренняя модификация конструкции. |
| 31321JR | R = Наружное кольцо с фланцем . |
| HR31321J | J = Сепаратор стальной штампованный незакалённый. |
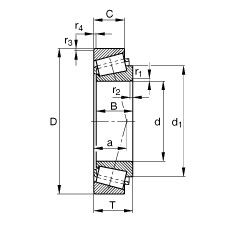
Габаритные размеры
Размеры и геометрические характеристики
Нагрузка и ресурс
Коэффициенты для расчета
Присоединительные размеры