Главная > Подшипники> Роликовые > Радиально-упорные>HR31320J

HR31320J — Однорядный конический роликовый подшипник, импортное производство по ISO стандарту, размер 100x215x56 номер основного исполнения 31320.
Производитель: NSK.
J = Сепаратор стальной штампованный незакалённый.
Цена по запросу
Цена на подшипник зависит от:
| Обозначение | Модификация |
|---|---|
| 31320 | Основное конструктивное исполнение. |
| 31320X | X = Внешние размеры, соответствующие международным стандартам. |
| 31320XU | X = Внешние размеры, соответствующие международным стандартам. |
| 31320J2 | J = Сепаратор стальной штампованный незакалённый. |
| 31320 A | A = внутренняя модификация конструкции. |
| 31320JR | R = Наружное кольцо с фланцем . |
| 31320-DF | Комплект подшипников расположенных лицом к лицу, дуплексная Х-образная пара. |
| 31320XJ/DF | X = Внешние размеры, соответствующие международным стандартам. J = Прессованная стальная клетка оконного типа. |
| 31320XJ2/DF | X = Внешние размеры, соответствующие международным стандартам. J = Прессованная стальная клетка оконного типа. |
| 31320XJ2/CL7CVQ051 | X = Внешние размеры, соответствующие международным стандартам. J = Прессованная стальная клетка оконного типа. |
| 31320-X-N11CA-A120-160 | CA = Цельный обработанный латунный сепаратор, двойной зуб, удерживающие фланцы на внутреннем кольце и направляющем кольце, центрированные на внутреннем кольце. |
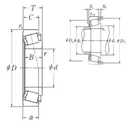
Габаритные размеры
Размеры и геометрические характеристики
Нагрузка и ресурс
Защита
Коэффициенты для расчета
Присоединительные размеры
Конструкция и исполнение