Главная > Подшипники> Роликовые > Радиально-упорные>HR303/22C

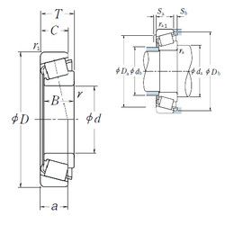
HR303/22C — Конический роликоподшипник, импортное производство по ISO стандарту, размер 22x56x17 номер основного исполнения .
Производитель: NSK.
С = Необслуживаемые концы стержней, внутренняя резьба.
Цена по запросу
Цена на подшипник зависит от:
Габаритные размеры
Размеры и геометрические характеристики
Нагрузка и ресурс
Защита
Коэффициенты для расчета
Присоединительные размеры
Конструкция и исполнение
Радиальный шарикоподшипник SC04B66LLU (NTN)
Подшипник однорядный шариковый радиальный SC04B66LLU/L283QT (NTN)
Подшипник роликовый радиально-упорный 303/22R (KOYO)
Подшипник роликовый радиально-упорный 303/22XR (KOYO)
Конический роликоподшипник HR303/22 (NSK)