Главная > Подшипники> Роликовые > Радиально-упорные>303/22XR

303/22XR — Подшипник роликовый радиально-упорный, импортное производство по ISO стандарту, размер 22x56x17 номер основного исполнения .
Производитель: KOYO.
X = Внешние размеры, соответствующие международным стандартам.
Цена от:286 р.
Цена на подшипник зависит от:
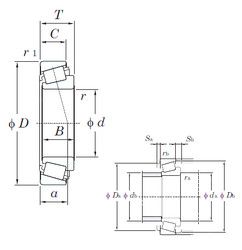
Габаритные размеры
Размеры и геометрические характеристики
Нагрузка и ресурс
Защита
Коэффициенты для расчета
Присоединительные размеры
Конструкция и исполнение
Радиальный шарикоподшипник SC04B66LLU (NTN)
Подшипник однорядный шариковый радиальный SC04B66LLU/L283QT (NTN)
Подшипник роликовый радиально-упорный 303/22R (KOYO)
Конический роликоподшипник HR303/22 (NSK)
Конический роликоподшипник HR303/22C (NSK)