Главная > Подшипники> Роликовые > Радиально-упорные>HR302/32

HR302/32 — Конический роликоподшипник, импортное производство по ISO стандарту, размер 32x65x18 номер основного исполнения .
Производитель: NSK.
Цена по запросу
Цена на подшипник зависит от:
Габаритные размеры
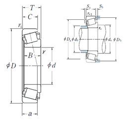
Размеры и геометрические характеристики
Нагрузка и ресурс
Защита
Коэффициенты для расчета
Присоединительные размеры
Конструкция и исполнение
Однорядный конический роликовый подшипник 302/32R (KOYO)
Подшипник роликовый радиально-упорный 302/32CR (KOYO)
Однорядный конический роликовый подшипник HI-CAP 32KB02 (KOYO)
Конический роликоподшипник HR302/32C (NSK)