Главная > Подшипники> Роликовые > Радиально-упорные>302/32R

302/32R — Однорядный конический роликовый подшипник, импортное производство по ISO стандарту, размер 32x65x18 номер основного исполнения .
Производитель: KOYO.
R = Наружное кольцо с фланцем .
Цена по запросу
Цена на подшипник зависит от:
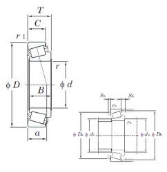
Габаритные размеры
Размеры и геометрические характеристики
Нагрузка и ресурс
Защита
Коэффициенты для расчета
Присоединительные размеры
Конструкция и исполнение
Подшипник роликовый радиально-упорный 302/32CR (KOYO)
Однорядный конический роликовый подшипник HI-CAP 32KB02 (KOYO)
Конический роликоподшипник HR302/32 (NSK)
Конический роликоподшипник HR302/32C (NSK)