Главная > Подшипники> Роликовые > Радиально-упорные>HM89449/HM89411

HM89449/HM89411 — Однорядный конический роликовый подшипник, импортное производство по ISO стандарту, размер 36x76x29 номер основного исполнения .
Производится брендами: FBJ, KOYO, TIMKEN.
H = высокая, узкая каретка для двухрядного шарикоподшипника и направляющей в сборе.
Цена от:1 518 р.
Цена на подшипник зависит от:
Габаритные размеры
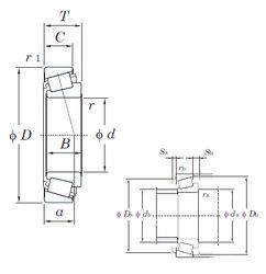
Размеры и геометрические характеристики
Нагрузка и ресурс
Защита
Коэффициенты для расчета
Присоединительные размеры
Конструкция и исполнение
Радиальный шарикоподшипник F-237541.02 (INA)
Подшипник шариковый двухрядный радиально-упорный 528932A (FAG)
Подшипник шариковый двухрядный радиально-упорный BA2B440190C (SKF)
Подшипник роликовый радиально-упорный 31597/31521 (KOYO, TIMKEN)
Конический роликоподшипник 4T-31597/31520 (NTN)
Конический роликоподшипник 4T-HM89448/HM89410 (NTN)