Главная > Подшипники> Роликовые > Радиально-упорные>31597/31521

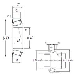
31597/31521 — Подшипник роликовый радиально-упорный, импортное производство по ISO стандарту, размер 36x76x29 номер основного исполнения .
Производится брендами: KOYO, TIMKEN.
Цена от:515 р.
Цена на подшипник зависит от:
Габаритные размеры
Размеры и геометрические характеристики
Нагрузка и ресурс
Защита
Коэффициенты для расчета
Присоединительные размеры
Конструкция и исполнение
Радиальный шарикоподшипник F-237541.02 (INA)
Подшипник шариковый двухрядный радиально-упорный 528932A (FAG)
Подшипник шариковый двухрядный радиально-упорный BA2B440190C (SKF)
Конический роликоподшипник 4T-31597/31520 (NTN)
Конический роликоподшипник 4T-HM89448/HM89410 (NTN)
Однорядный конический роликовый подшипник 4T-HM89449/HM89411 (NTN)