Главная > Подшипники> Роликовые > Радиально-упорные>HM89444/HM89410

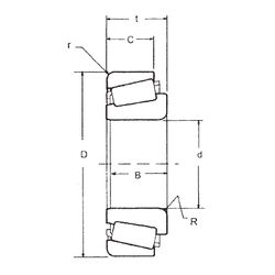
HM89444/HM89410 — Однорядный конический роликовый подшипник, импортное производство по ISO стандарту, размер 33x76x29 номер основного исполнения .
Производится брендами: FBJ, TIMKEN.
H = высокая, узкая каретка для двухрядного шарикоподшипника и направляющей в сборе.
Цена от:2 212 р.
Цена на подшипник зависит от:
Габаритные размеры
Размеры и геометрические характеристики
Нагрузка и ресурс
Защита
Коэффициенты для расчета
Присоединительные размеры
Конструкция и исполнение
Однорядный конический роликовый подшипник 31590/31520 (CX, ISO, TIMKEN)
Конический роликоподшипник 4T-HM89444/HM89410 (NTN)
Конический роликоподшипник 4T-HM89443/HM89410 (NTN)
Конический роликоподшипник дюймовая серия BM89443/HM89410 (AST)
Однорядный конический роликовый подшипник HM89443/HM89410 (FBJ, Fersa, KOYO, NIS, NSK)
Подшипник роликовый радиально-упорный HM89443/10 (CX, ISO)