Главная > Подшипники> Роликовые > Радиально-упорные>BM89443/HM89410

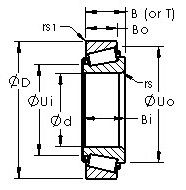
BM89443/HM89410 — Конический роликоподшипник дюймовая серия, импортное производство по ISO стандарту, размер 33x76x29 номер основного исполнения .
Производитель: AST.
H = высокая, узкая каретка для двухрядного шарикоподшипника и направляющей в сборе.
Цена по запросу
Цена на подшипник зависит от:
Габаритные размеры
Размеры и геометрические характеристики
Присоединительные размеры
Конструкция и исполнение
Прочие характеристики
Однорядный конический роликовый подшипник 31590/31520 (CX, ISO, TIMKEN)
Конический роликоподшипник 4T-HM89444/HM89410 (NTN)
Конический роликоподшипник 4T-HM89443/HM89410 (NTN)
Однорядный конический роликовый подшипник HM89443/HM89410 (FBJ, Fersa, KOYO, NIS, NSK)
Подшипник роликовый радиально-упорный HM89443/10 (CX, ISO)
Подшипник роликовый радиально-упорный HM89444/10 (CX, ISO)