Главная > Подшипники> Роликовые > Радиально-упорные>HM617049/HM617010

HM617049/HM617010 — Однорядный конический роликовый подшипник, импортное производство по ISO стандарту, размер 85x142x42 номер основного исполнения .
Производится брендами: FBJ, KOYO, NACHI, NIS, NSK, TIMKEN.
H = высокая, узкая каретка для двухрядного шарикоподшипника и направляющей в сборе.
Цена от:2 385 р.
Цена на подшипник зависит от:
Габаритные размеры
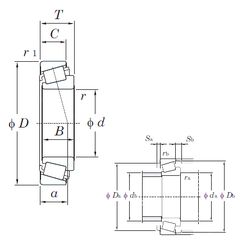
Размеры и геометрические характеристики
Нагрузка и ресурс
Защита
Коэффициенты для расчета
Присоединительные размеры
Конструкция и исполнение
Прочие характеристики
Конический роликоподшипник 4T-HM617049/HM617010 (NTN)
Подшипник роликовый радиально-упорный HM617048/HM617010 (KOYO, TIMKEN)
Подшипник роликовый радиально-упорный HM617049/10 (CX, ISO)