Главная > Подшипники> Роликовые > Радиально-упорные>HM617048/HM617010

HM617048/HM617010 — Подшипник роликовый радиально-упорный, импортное производство по ISO стандарту, размер 85x142x42 номер основного исполнения .
Производится брендами: KOYO, TIMKEN.
H = высокая, узкая каретка для двухрядного шарикоподшипника и направляющей в сборе.
Цена от:2 255 р.
Цена на подшипник зависит от:
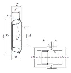
Габаритные размеры
Размеры и геометрические характеристики
Нагрузка и ресурс
Защита
Коэффициенты для расчета
Присоединительные размеры
Конструкция и исполнение
Конический роликоподшипник 4T-HM617049/HM617010 (NTN)
Однорядный конический роликовый подшипник HM617049/HM617010 (FBJ, KOYO, NACHI, NIS, NSK)
Подшипник роликовый радиально-упорный HM617049/10 (CX, ISO)