Главная > Подшипники> Роликовые > Радиально-упорные>HI-CAP 57285/2735X

HI-CAP 57285/2735X — Подшипник роликовый радиально-упорный, импортное производство по ISO стандарту, размер 38x73x23 номер основного исполнения .
Производитель: KOYO.
P5 = Подшипники 5-го класса точности DIN
Цена по запросу
Цена на подшипник зависит от:
Габаритные размеры
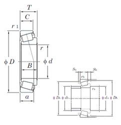
Размеры и геометрические характеристики
Защита
Конструкция и исполнение
Однорядный конический роликовый подшипник 2788/2735X (NIS, NSK, TIMKEN)
Подшипник роликовый радиально-упорный 2788R/2735X (KOYO)
Однорядный конический роликовый подшипник 2788A/2735X (TIMKEN)
Конический роликоподшипник 2776/2735X (TIMKEN)
Конический роликоподшипник 4T-2788/2735X (NTN)