Главная > Подшипники> Роликовые > Радиально-упорные>2788R/2735X

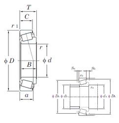
2788R/2735X — Подшипник роликовый радиально-упорный, импортное производство по ISO стандарту, размер 38x73x23 номер основного исполнения .
Производитель: KOYO.
X = Внешние размеры, соответствующие международным стандартам.
Цена от:537 р.
Цена на подшипник зависит от:
Габаритные размеры
Размеры и геометрические характеристики
Нагрузка и ресурс
Защита
Коэффициенты для расчета
Присоединительные размеры
Конструкция и исполнение
Однорядный конический роликовый подшипник 2788/2735X (NIS, NSK, TIMKEN)
Однорядный конический роликовый подшипник 2788A/2735X (TIMKEN)
Конический роликоподшипник 2776/2735X (TIMKEN)
Конический роликоподшипник 4T-2788/2735X (NTN)
Подшипник роликовый радиально-упорный HI-CAP 57285/2735X (KOYO)