Главная > Подшипники> Роликовые > Радиально-упорные>HH221440/HH221410

HH221440/HH221410 — Однорядный конический роликовый подшипник, импортное производство по ISO стандарту, размер 95x190x57 номер основного исполнения .
Производится брендами: FBJ, KOYO, NIS, NSK, TIMKEN.
H = высокая, узкая каретка для двухрядного шарикоподшипника и направляющей в сборе.
Цена по запросу
Цена на подшипник зависит от:
Габаритные размеры
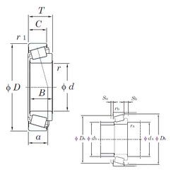
Размеры и геометрические характеристики
Нагрузка и ресурс
Защита
Коэффициенты для расчета
Присоединительные размеры
Конструкция и исполнение
Прочие характеристики
Конический роликоподшипник 4T-HH221440/HH221410 (NTN)
Однорядный конический роликовый подшипник 864/854 (CX, ISO, NACHI, NIS, NSK)
Конический роликоподшипник 864/854-B (TIMKEN)
Подшипник роликовый радиально-упорный 864R/854 (KOYO)
Однорядный конический роликовый подшипник 862/853 (TIMKEN)
Подшипник роликовый радиально-упорный HH221440/10 (CX, ISO)