Главная > Подшипники> Роликовые > Радиально-упорные>864R/854

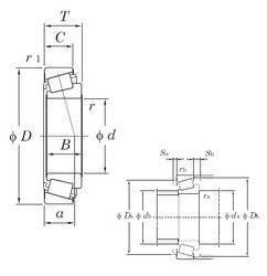
864R/854 — Подшипник роликовый радиально-упорный, импортное производство по ISO стандарту, размер 95x190x57 номер основного исполнения .
Производитель: KOYO.
R = Наружное кольцо с фланцем .
Цена по запросу
Цена на подшипник зависит от:
Габаритные размеры
Размеры и геометрические характеристики
Нагрузка и ресурс
Защита
Коэффициенты для расчета
Присоединительные размеры
Конструкция и исполнение
Конический роликоподшипник 4T-HH221440/HH221410 (NTN)
Однорядный конический роликовый подшипник 864/854 (CX, ISO, NACHI, NIS, NSK)
Конический роликоподшипник 864/854-B (TIMKEN)
Однорядный конический роликовый подшипник 862/853 (TIMKEN)
Однорядный конический роликовый подшипник HH221440/HH221410 (FBJ, KOYO, NIS, NSK, TIMKEN)
Подшипник роликовый радиально-упорный HH221440/10 (CX, ISO)