Главная > Подшипники> Роликовые > Радиально-упорные>HC STA3055LFT

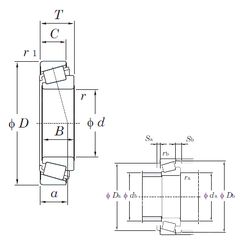
HC STA3055LFT — Подшипник роликовый радиально-упорный, импортное производство по ISO стандарту, размер 30x55x16 номер основного исполнения .
Производитель: KOYO.
ТA = Сепаратор из фенольной смолы или полиамида направленный на наружное кольцо
Цена по запросу
Цена на подшипник зависит от:
Габаритные размеры
Размеры и геометрические характеристики
Защита
Конструкция и исполнение
Подшипник роликовый радиально-упорный конический однорядный повышенной грузоподъемности 3007106А
Радиальный шарикоподшипник Z-559330.01 (FAG)
Цилиндрический роликоподшипник RN206-E-MPBX (FAG)
Осевой радиально-упорный шарикоподшипник 562006 (NTN)
Радиально-упорный шарикоподшипник 30BNR20HV1V (NSK)
Радиально-упорный шарикоподшипник 30BNR20XV1V (NSK)