Главная > Подшипники> Шариковые> Радиально-упорные>HAR934C

HAR934C — Радиально-упорный шарикоподшипник, импортное производство по ISO стандарту, размер 170x230x28 номер основного исполнения 934.
Производитель: KOYO.
С = Необслуживаемые концы стержней, внутренняя резьба.
Цена по запросу
Цена на подшипник зависит от:
| Обозначение | Модификация |
|---|---|
| 934 | Основное конструктивное исполнение. |
| HAR934 | |
| HSB934C | С = Необслуживаемые концы стержней, внутренняя резьба. |
| SL11 934 | |
| SL15 934 | |
| SL14 934 | |
| SL12 934 | |
| HAR934CA | CA = Цельный обработанный латунный сепаратор, двойной зуб, удерживающие фланцы на внутреннем кольце и направляющем кольце, центрированные на внутреннем кольце. |
| HTA934DB | D = профиль наружного кольца, усовершенствованный, с увеличенной зоной несущей нагрузки и оптимизированными краевыми переходами. |
| 3NCHAR934 | A = Модифицированная внутренняя конструкция. R = Наружное кольцо с фланцем. |
| 3NCHAC934C | AC = Угол контакта 25 градусов. |
| 3NCHAR934C | A = Модифицированная внутренняя конструкция. R = Наружное кольцо с фланцем. |
| 3NCHAC934CA | CA = Цельный обработанный латунный сепаратор, двойной зуб, удерживающие фланцы на внутреннем кольце и направляющем кольце, центрированные на внутреннем кольце. |
| 3NCHAR934CA | CA = Цельный обработанный латунный сепаратор, двойной зуб, удерживающие фланцы на внутреннем кольце и направляющем кольце, центрированные на внутреннем кольце. |
| 5S-2LA-HSE934G/GNP42 | GN = нормальная предварительная нагрузка. P = Литой сепаратор из стеклонаполненного полиамида 6,6, центрируемый по телам качения. |
| 5S-2LA-HSE934CG/GNP42 | GN = нормальная предварительная нагрузка. P = Литой сепаратор из стеклонаполненного полиамида 6,6, центрируемый по телам качения. |
| 5S-2LA-HSE934ADG/GNP42 | GN = нормальная предварительная нагрузка. P = Литой сепаратор из стеклонаполненного полиамида 6,6, центрируемый по телам качения. |
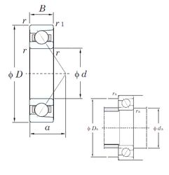
Габаритные размеры
Размеры и геометрические характеристики
Нагрузка и ресурс
Защита
Коэффициенты для расчета
Присоединительные размеры
Конструкция и исполнение
Подшипник шариковый однорядный радиально-упорный B71934 C.T.P4S.UL (FAG)
Подшипник шариковый однорядный радиально-упорный B71934 E.T.P4S.UL (FAG)
Подшипник шариковый радиальный 1000934 Д (ГПЗ-4)
Подшипник шариковый радиальный 1000934 АЛ (ГПЗ-23)