Главная > Подшипники> Шариковые> Радиально-упорные>HAR930C

HAR930C — Радиально-упорный шарикоподшипник, импортное производство по ISO стандарту, размер 150x210x28 номер основного исполнения 930.
Производитель: KOYO.
С = Необслуживаемые концы стержней, внутренняя резьба.
Цена по запросу
Цена на подшипник зависит от:
| Обозначение | Модификация |
|---|---|
| 930 | Основное конструктивное исполнение. |
| HAR930 | |
| HSB930C | С = Необслуживаемые концы стержней, внутренняя резьба. |
| SL14 930 | |
| SL11 930 | |
| SL12 930 | |
| SL15 930 | |
| HAR930CA | CA = Цельный обработанный латунный сепаратор, двойной зуб, удерживающие фланцы на внутреннем кольце и направляющем кольце, центрированные на внутреннем кольце. |
| HTA930DB | D = профиль наружного кольца, усовершенствованный, с увеличенной зоной несущей нагрузки и оптимизированными краевыми переходами. |
| 3NCHAR930 | A = Модифицированная внутренняя конструкция. R = Наружное кольцо с фланцем. |
| 3NCHAC930C | AC = Угол контакта 25 градусов. |
| 3NCHAR930C | A = Модифицированная внутренняя конструкция. R = Наружное кольцо с фланцем. |
| 3NCHAC930CA | CA = Цельный обработанный латунный сепаратор, двойной зуб, удерживающие фланцы на внутреннем кольце и направляющем кольце, центрированные на внутреннем кольце. |
| 3NCHAR930CA | CA = Цельный обработанный латунный сепаратор, двойной зуб, удерживающие фланцы на внутреннем кольце и направляющем кольце, центрированные на внутреннем кольце. |
| 5S-2LA-HSE930G/GNP42 | 30G = G = Втулки подшипника с возможностью смазки, для высоких и низких температур. |
| 5S-2LA-HSE930CG/GNP42 | GN = нормальная предварительная нагрузка. P = Литой сепаратор из стеклонаполненного полиамида 6,6, центрируемый по телам качения. |
| 5S-2LA-HSE930ADG/GNP42 | GN = нормальная предварительная нагрузка. P = Литой сепаратор из стеклонаполненного полиамида 6,6, центрируемый по телам качения. |
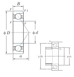
Габаритные размеры
Размеры и геометрические характеристики
Нагрузка и ресурс
Защита
Коэффициенты для расчета
Присоединительные размеры
Конструкция и исполнение
Подшипник шариковый радиальный однорядный 1000930
Подшипник шариковый однорядный радиально-упорный B71930 C.T.P4S.UL (FAG)
Подшипник шариковый однорядный радиально-упорный HS71930 E.T.P4S.UL (FAG)