Главная > Подшипники> Шариковые> Радиально-упорные>HAR032CA

HAR032CA — Радиально-упорный шарикоподшипник, импортное производство по ISO стандарту, размер 160x240x38 номер основного исполнения HAR032.
Производитель: KOYO.
CA = Цельный обработанный латунный сепаратор, двойной зуб, удерживающие фланцы на внутреннем кольце и направляющем кольце, центрированные на внутреннем кольце.
Цена по запросу
Цена на подшипник зависит от:
Габаритные размеры
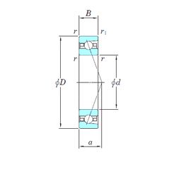
Размеры и геометрические характеристики
Нагрузка и ресурс
Защита
Присоединительные размеры
Конструкция и исполнение
Однорядный цилиндрический роликовый подшипник NU1032 (CX, CYSD, FAG, ISB, ISO)
Подшипник однорядный шариковый радиальный 6032 (CX, CYSD, ISB, ISO, KOYO)
Подшипник шариковый радиально-упорный 7032 (CYSD, KOYO, NACHI, NTN, SKF)
Подшипник шариковый радиальный однорядный 132
Подшипник шариковый однорядный радиально-упорный B7032 E.T.P4S.UL (FAG)