Главная > Подшипники> Шариковые> Радиально-упорные>HAR032

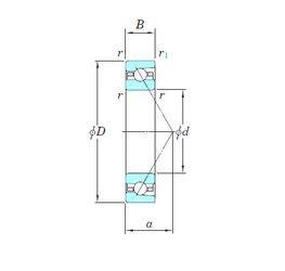
HAR032 — Радиально-упорный шарикоподшипник, импортное производство по ISO стандарту, размер 160x240x38 основное исполнение.
Производитель: KOYO.
Цена по запросу
Цена на подшипник зависит от:
Габаритные размеры
Размеры и геометрические характеристики
Нагрузка и ресурс
Защита
Присоединительные размеры
Конструкция и исполнение
Однорядный цилиндрический роликовый подшипник NU1032 (CX, CYSD, FAG, ISB, ISO)
Подшипник однорядный шариковый радиальный 6032 (CX, CYSD, ISB, ISO, KOYO)
Подшипник шариковый радиально-упорный 7032 (CYSD, KOYO, NACHI, NTN, SKF)
Подшипник шариковый радиальный однорядный 132
Подшипник шариковый однорядный радиально-упорный B7032 E.T.P4S.UL (FAG)