Главная > Подшипники> Шариковые> Радиально-упорные>HAR018CA

HAR018CA — Радиально-упорный шарикоподшипник, импортное производство по ISO стандарту, размер 90x140x24 номер основного исполнения HAR018.
Производитель: KOYO.
CA = Цельный обработанный латунный сепаратор, двойной зуб, удерживающие фланцы на внутреннем кольце и направляющем кольце, центрированные на внутреннем кольце.
Цена по запросу
Цена на подшипник зависит от:
Габаритные размеры
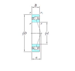
Размеры и геометрические характеристики
Нагрузка и ресурс
Защита
Присоединительные размеры
Конструкция и исполнение
Однорядный цилиндрический роликовый подшипник NU1018 (CX, CYSD, FBJ, IBC, ISB)
Подшипник однорядный шариковый радиальный 6018 (AST, CRAFT, CX, CYSD, FAG)
Подшипник шариковый однорядный радиально-упорный B7018 C.T.P4S.UL (FAG)
Однорядный цилиндрический роликовый подшипник NU1018 M1.C3 (IBC)