Главная > Подшипники> Шариковые> Радиально-упорные>HAR014CA

HAR014CA — Радиально-упорный шарикоподшипник, импортное производство по ISO стандарту, размер 70x110x20 номер основного исполнения HAR014.
Производитель: KOYO.
CA = Цельный обработанный латунный сепаратор, двойной зуб, удерживающие фланцы на внутреннем кольце и направляющем кольце, центрированные на внутреннем кольце.
Цена по запросу
Цена на подшипник зависит от:
Габаритные размеры
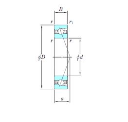
Размеры и геометрические характеристики
Нагрузка и ресурс
Защита
Присоединительные размеры
Конструкция и исполнение
Подшипник шариковый однорядный радиально-упорный B7014 (FAG)
Однорядный цилиндрический роликовый подшипник NU1014 (CX, CYSD, FAG, FBJ, ISB)
Подшипник однорядный шариковый радиальный 6014 (CRAFT, IBC, NIS, SKF)
Подшипник шариковый однорядный радиально-упорный 7014 (CYSD, KOYO, NACHI, NTN, SKF)
Подшипник шариковый радиальный однорядный 114
Подшипник шариковый радиальный 8114 (ГПЗ-3)