Главная > Подшипники> Шариковые> Радиально-упорные>HAR009C

HAR009C — Радиально-упорный шарикоподшипник, импортное производство по ISO стандарту, размер 45x75x16 номер основного исполнения HAR009.
Производитель: KOYO.
С = Необслуживаемые концы стержней, внутренняя резьба.
Цена по запросу
Цена на подшипник зависит от:
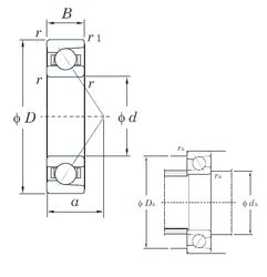
Габаритные размеры
Размеры и геометрические характеристики
Нагрузка и ресурс
Защита
Коэффициенты для расчета
Присоединительные размеры
Конструкция и исполнение
Однорядный цилиндрический роликовый подшипник NU1009 (CX, CYSD, FBJ, ISB, ISO)
Подшипник однорядный шариковый радиальный 6009 (FAG, NIS)
Подшипник шариковый однорядный радиально-упорный 7009 (CYSD, KOYO, NACHI, NSK, NTN)
Подшипник шариковый радиальный однорядный с одной защитной шайбой 60109