Главная > Подшипники> Роликовые > Радиально-упорные>H913840/H913810

H913840/H913810 — Однорядный конический роликовый подшипник, импортное производство по ISO стандарту, размер 59x146x41 номер основного исполнения .
Производится брендами: FBJ, TIMKEN.
H = высокая, узкая каретка для двухрядного шарикоподшипника и направляющей в сборе.
Цена по запросу
Цена на подшипник зависит от:
Габаритные размеры
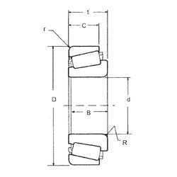
Размеры и геометрические характеристики
Нагрузка и ресурс
Защита
Коэффициенты для расчета
Присоединительные размеры
Конструкция и исполнение
Конический роликоподшипник 4T-H913840/H913810 (NTN)
Подшипник роликовый радиально-упорный H913840/10 (CX, ISO)