Главная > Подшипники> Роликовые > Радиально-упорные>H-14118/H-14283

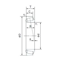
H-14118/H-14283 — Конический роликоподшипник, импортное производство по ISO стандарту, размер 30x72x22 номер основного исполнения .
Производитель: NACHI.
H = высокая, узкая каретка для двухрядного шарикоподшипника и направляющей в сборе.
Цена от:642 р.
Цена на подшипник зависит от:
Габаритные размеры
Размеры и геометрические характеристики
Нагрузка и ресурс
Защита
Коэффициенты для расчета
Присоединительные размеры
Конструкция и исполнение
Однорядный конический роликовый подшипник 14118/14283 (Fersa, TIMKEN)
Конический роликоподшипник 14117A/14283 (TIMKEN)
Однорядный конический роликовый подшипник 14116/14283 (CX, FBJ, ISO, TIMKEN)
Конический роликоподшипник 4T-14118/14283 (NTN)