Главная > Подшипники> Роликовые > Радиально-упорные>14116/14283

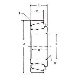
14116/14283 — Однорядный конический роликовый подшипник, импортное производство по ISO стандарту, размер 30x72x22 номер основного исполнения .
Производится брендами: CX, FBJ, ISO, TIMKEN.
Цена от:1 518 р.
Цена на подшипник зависит от:
Габаритные размеры
Размеры и геометрические характеристики
Нагрузка и ресурс
Защита
Коэффициенты для расчета
Присоединительные размеры
Конструкция и исполнение
Однорядный конический роликовый подшипник 14118/14283 (Fersa, TIMKEN)
Конический роликоподшипник 14117A/14283 (TIMKEN)
Конический роликоподшипник 4T-14118/14283 (NTN)
Конический роликоподшипник H-14118/H-14283 (NACHI)