Главная > Подшипники> Шариковые> Радиальные>GY1114KRRB

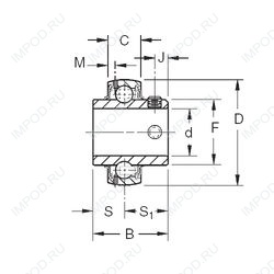
GY1114KRRB — Радиальный шарикоподшипник, импортное производство по ISO стандарту, размер 47x90x51 номер основного исполнения .
Производитель: TIMKEN.
KRR = Манжетные уплотнения на обеих сторонах (тип R - имеет цинковую внутреннюю и внешнюю крышку. Между крышками на поверхности основания находится губка уплотнения NBR). B = подшипник со сферическим наружным кольцом.
Цена по запросу
Цена на подшипник зависит от:
Габаритные размеры
Размеры и геометрические характеристики
Нагрузка и ресурс
Защита
Присоединительные размеры
Конструкция и исполнение
Другие размеры
Подшипник для корпуса ER210-30 (FYH, KOYO)
Подшипник для корпуса ER30 (TIMKEN)
Радиальный шарикоподшипник UC210-30L3 (KOYO)