Главная > Подшипники> Шариковые> Радиальные>GY1112KRRB SGT

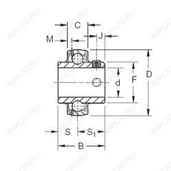
GY1112KRRB SGT — Радиальный шарикоподшипник, импортное производство по ISO стандарту, размер 44x85x49 номер основного исполнения .
Производитель: TIMKEN.
KRR = Манжетные уплотнения на обеих сторонах (тип R уплотнение - имеет внутреннюю и внешнюю оцинкованную крышку. Между крышками на грунтовом плече установлена губка уплотнения NBR). B = подшипник со сферическим наружным кольцом. S = цилиндрическое наружное кольцо.
Цена по запросу
Цена на подшипник зависит от:
Габаритные размеры
Размеры и геометрические характеристики
Нагрузка и ресурс
Защита
Присоединительные размеры
Конструкция и исполнение
Другие размеры
Радиальный шарикоподшипник E2.YAR209-112-2F (SKF)
Подшипник для корпуса ER209-28 (FYH, KOYO)
Подшипник для корпуса ER28 (TIMKEN)
Радиальный шарикоподшипник ER28DD (TIMKEN)
Подшипник для корпуса GY1112-KRR-B-AS2/V (INA)
Радиальный шарикоподшипник UC209-28L3 (KOYO)