Главная > Подшипники> Шариковые> Радиальные>GY1112-KRR-B-AS2/V

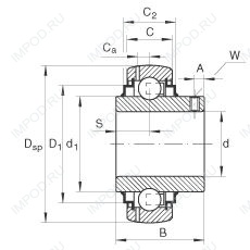
GY1112-KRR-B-AS2/V — Подшипник для корпуса, импортное производство по ISO стандарту, размер 44x85x49 номер основного исполнения .
Производитель: INA.
KRR = Манжетные уплотнения на обеих сторонах (тип R - имеет цинковую внутреннюю и внешнюю крышку. Между крышками на поверхности основания находится губка уплотнения NBR). B = подшипник со сферическим наружным кольцом.
Цена по запросу
Цена на подшипник зависит от:
Габаритные размеры
Размеры и геометрические характеристики
Нагрузка и ресурс
Защита
Конструкция и исполнение
Прочие характеристики
Радиальный шарикоподшипник E2.YAR209-112-2F (SKF)
Подшипник для корпуса ER209-28 (FYH, KOYO)
Подшипник для корпуса ER28 (TIMKEN)
Радиальный шарикоподшипник ER28DD (TIMKEN)
Радиальный шарикоподшипник GY1112KRRB SGT (TIMKEN)
Радиальный шарикоподшипник UC209-28L3 (KOYO)