Главная > Подшипники> Шариковые> Радиальные>GY1111KRRB SGT

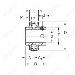
GY1111KRRB SGT — Радиальный шарикоподшипник, импортное производство по ISO стандарту, размер 42x85x49 номер основного исполнения .
Производитель: TIMKEN.
KRR = Манжетные уплотнения на обеих сторонах (тип R уплотнение - имеет внутреннюю и внешнюю оцинкованную крышку. Между крышками на грунтовом плече установлена губка уплотнения NBR). B = подшипник со сферическим наружным кольцом. S = цилиндрическое наружное кольцо.
Цена по запросу
Цена на подшипник зависит от:
Габаритные размеры
Размеры и геометрические характеристики
Нагрузка и ресурс
Защита
Присоединительные размеры
Конструкция и исполнение
Другие размеры
Подшипник шариковый радиальный ER209-27 (FYH, KOYO)
Подшипник для корпуса ER27 (TIMKEN)
Подшипник шариковый закрепляемый GY1111-KRR-B-AS2/V (INA)
Радиальный шарикоподшипник UC209-27L3 (KOYO)
Подшипник для корпуса YAR209-111-2F (SKF)