Главная > Подшипники> Шариковые> Радиальные>GY1111-KRR-B-AS2/V

GY1111-KRR-B-AS2/V — Подшипник шариковый закрепляемый, импортное производство по ISO стандарту, размер 42x85x49 номер основного исполнения .
Производитель: INA.
KRR = Манжетные уплотнения на обеих сторонах (тип R - имеет цинковую внутреннюю и внешнюю крышку. Между крышками на поверхности основания находится губка уплотнения NBR). B = подшипник со сферическим наружным кольцом.
Цена по запросу
Цена на подшипник зависит от:
Габаритные размеры
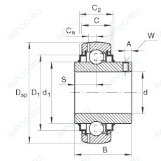
Размеры и геометрические характеристики
Нагрузка и ресурс
Защита
Конструкция и исполнение
Прочие характеристики
Подшипник шариковый радиальный ER209-27 (FYH, KOYO)
Подшипник для корпуса ER27 (TIMKEN)
Радиальный шарикоподшипник GY1111KRRB SGT (TIMKEN)
Радиальный шарикоподшипник UC209-27L3 (KOYO)
Подшипник для корпуса YAR209-111-2F (SKF)